国产SiC MOSFET在T型三电平拓扑中的应用分析
分析BASiC基本股份(BASiC Semiconductor) 两个SiC MOSFET型号(B3M040065Z和B3M040120Z)在T型三电平拓扑中的优势及损耗计算
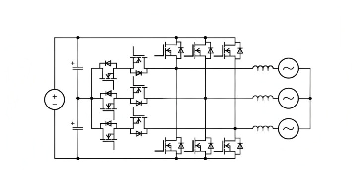
一、T型三电平拓扑的优势与SiC MOSFET适配性

电压应力降低
T型三电平拓扑中,每个开关器件仅承受母线电压的一半(如1200V母线下器件承受600V)。
BASiC基本股份(BASiC Semiconductor) B3M040065Z(650V/67A)和B3M040120Z(1200V/64A)的耐压能力均适配该需求,且冗余设计增强可靠性。
高频性能优势
SiC MOSFET的快速开关特性(如B3M040120Z的开关延迟仅12ns,关断延迟34ns)显著降低开关损耗,尤其适合40kHz高频应用,而传统IGBT在高于20kHz时损耗急剧增加。
反向恢复特性
SiC MOSFET体二极管反向恢复电荷(如B3M040120Z的Qrr=187nC@25°C)远低于IGBT,可减少续流阶段的损耗和EMI。
热管理简化
SiC的低导通电阻(如B3M040065Z的R_DS(on)=40mΩ@18V)和低热阻(R_th(j-c)=0.48K/W)允许更小的散热器,提升功率密度。
BASiC基本股份针对SiC碳化硅MOSFET多种应用场景研发推出门极驱动芯片,可适应不同的功率器件和终端应用。BASiC基本股份的门极驱动芯片包括隔离驱动芯片和低边驱动芯片,绝缘最大浪涌耐压可达8000V,驱动峰值电流高达正负15A,可支持耐压1700V以内功率器件的门极驱动需求。
BASiC基本股份低边驱动芯片可以广泛应用于PFC、DCDC、同步整流,反激等领域的低边功率器件的驱动或在变压器隔离驱动中用于驱动变压器,适配系统功率从百瓦级到几十千瓦不等。
BASiC基本股份推出正激 DCDC 开关电源芯片BTP1521xx,该芯片集成上电软启动功能、过温保护功能,输出功率可达6W。芯片工作频率通过OSC 脚设定,最高工作频率可达1.5MHz,非常适合给隔离驱动芯片副边电源供电。
对SiC碳化硅MOSFET单管及模块+18V/-4V驱动电压的需求,BASiC基本股份提供自研电源IC BTP1521P系列和配套的变压器以及驱动IC BTL27524或者隔离驱动BTD5350MCWR(支持米勒钳位)。

三、替代潜力分析
效率提升:SiC方案效率提升1-2%,对光伏逆变器/充电桩等场景意义重大。
散热成本降低:SiC的更低损耗和热阻可减少散热器体积,降低系统成本。
高频化优势:40kHz下IGBT需降额使用,而SiC仍可全功率运行,支持更高功率密度设计。
可靠性:SiC耐高温(T_j=175°C)和抗雪崩能力(E_AS=324mJ)优于IGBT。

结论
BASiC基本股份(BASiC Semiconductor) B3M040065Z和B3M040120Z在T型三电平拓扑中表现出显著优势,尤其在40kHz或以上的高频下:
损耗降低16%以上,系统效率提升;
散热需求减少,降低整体成本;
兼容高频设计,支持更高功率密度和响应速度。
替代老旧IGBT方案具备明确的技术与经济性潜力,特别适用于新能源发电、储能PCS等高频高功率场景。
BASiC基本股份自2017年开始布局车规级SiC碳化硅器件研发和制造,逐步建立起规范严谨的质量管理体系,将质量管理贯穿至设计、开发到客户服务的各业务过程中,保障产品与服务质量。BASiC基本股份分别在深圳、无锡投产车规级SiC碳化硅(深圳基本半导体)芯片产线和汽车级SiC碳化硅功率模块(无锡基本半导体)专用产线;BASiC基本股份自主研发的汽车级SiC碳化硅功率模块已收获了近20家整车厂和Tier1电控客户的30多个车型定点,是国内第一批SiC碳化硅模块(比如BASiC基本股份)量产上车的头部企业。